|
|
| 產(chan)品名(ming)稱(cheng):鏈板(ban)稱(cheng)重給料機 |
|
|
人氣:3575 |
|

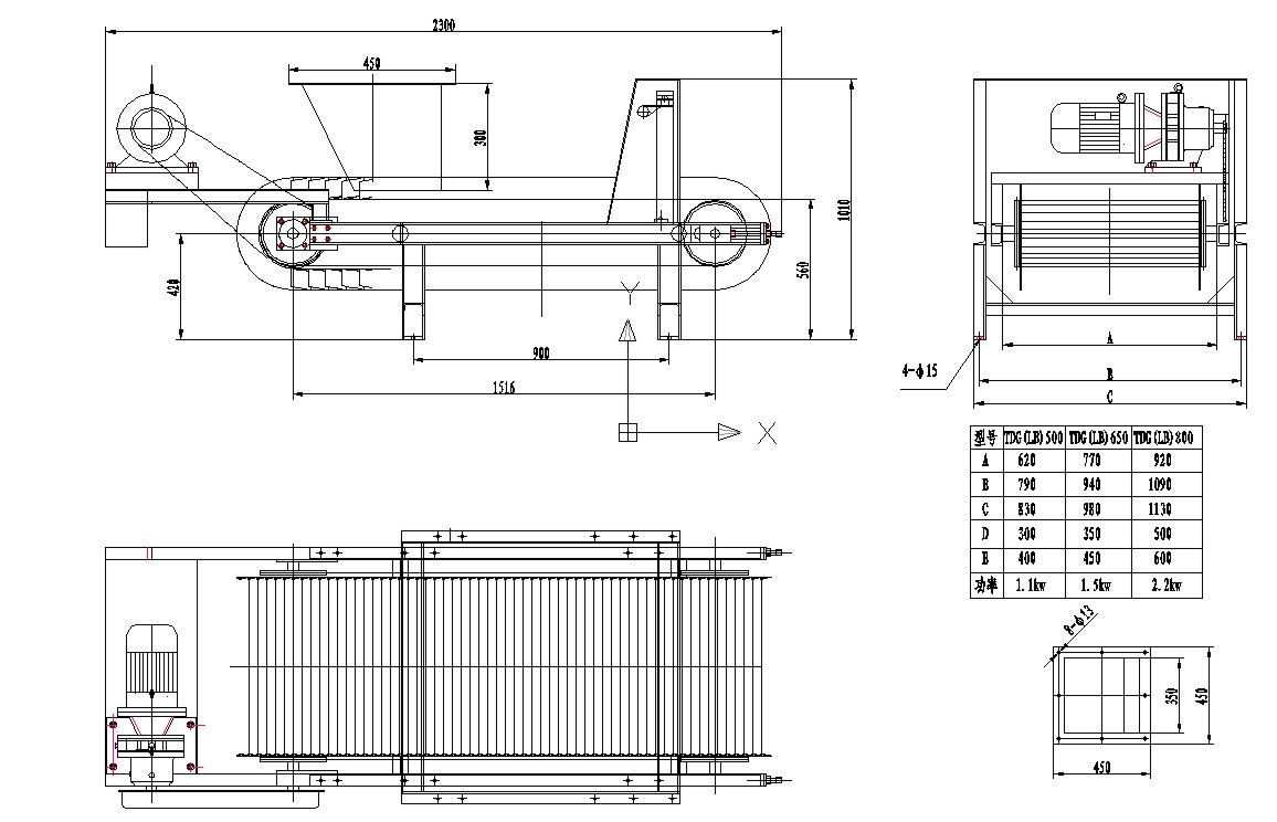
產品簡介
鏈板給料機主要用于生產現場的連續性物料輸送,傳動體為鋼板板體,受力大,不易變形。 該鏈板給料機適應各類不同外形的物料,具用一定耐沖擊性和適于高溫物料的特點。其同樣采用變頻調速的工作方式,滿足客戶對不同速度要求的工藝需要。
|
■TDG-LB型技術參數
●動態計量精度:±2% ●調速范圍:5:1或10:1 ●皮帶寬度:500,650,800 ●輸送物料能力:0.5-80t/h ●給料距離:1500—3500mm ●輸入方式:模擬量4-20 mA ●輸出方式:模擬量4-20 mA ●帶速度:0.4m/s ●物料溫度:≤400℃(高溫) |

|
|
|
|
|
|
|